收藏本站
 当前位置: 中国节能评估审查网--专业编制节能评估报告书|节能评估报告表|节能登记表|节能报告 >> 节能知识 >> 信息正文
中央空调热水锅炉

点击数:1948   更新时间:2023年5月28日   发布人:admin
    

 1. 技术适用范围

  适用于空调设备的节能技术改造。

  2. 技术原理及工艺

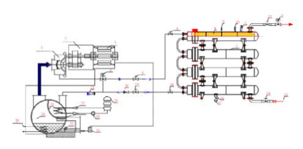
  采用中央空调余热多级回收制热水技术,将排到大气中的废热转变为可再生能源二次利用,在中央空调机组上安装一个高效的热回收设备及热泵接驳装置,利用高温的冷媒与自来水进行热交换,自来水通过多级热量回收中央空调高温冷媒的热量,可提供55~80℃的热水,在制冷时降低了冷凝压力,同时提高机组制冷效果和制冷机组的效率,降低了空调机组电耗。工作原理图如下:

  3. 技术指标

  (1)全热回收即热制55~80℃热水。

  (2)能效比1∶8 (制冷+热回收综合能效比)。

  (3)制冷效果提高:10%~15%。

  (4)比普通中央空调节电:15%。

  4. 技术功能特性

  配备智能调控面板,对空调系统各部分温度进行严密把控,根据实时工况对各部件进行动态调节,可实现系统过热保护和出热水量的精确控制。

  5. 应用案例

  普宁金懋大酒店改造项目,技术提供单位为珠海天然志富科技有限公司。

  (1)用户用能情况简单说明:普宁金懋大酒店配2台t天然气锅炉,每天为酒店提供50~60℃生活热水约30t,中央空调全天候开启,大量热量通过冷却塔散发到室外空气,造成极大的热量浪费。

  (2)实施内容及周期:拆除热水锅炉,保留其配套的蓄水箱,在其中三台热泵机组安装废热回收装置,增加1套智能控制面板,在蓄水箱加装循环水泵。实施周期2个月。

  (3)节能减排效果及投资回收期:改造后,每年可节电约52万kW·h,折合年节约标煤171t,减排CO2474t/a。该项目综合年效益合计为12万元,总投入为28万元,投资回收期约2.3年。

  6. 未来五年推广前景及节能减排潜力

  预计未来5年,推广应用比例可达到15%,可形成节能21.5万tce/a,减排CO259.6万t/a。


上一条:判断经济形势最常用的统计指标有哪些?
下一条:电缸驱动游梁式抽油机技术
打印本页】 【关闭窗口】   
广告赞助 | 网站声明 | 付款方式 | 友情链接 | 联系我们
北京分公司:18310620158 湖北分公司:13868521911 福建分公司:13859199070 广东分公司:13544057743 浙江分公司:13868521911
江西分公司:13767010828 江苏分公司:13868521911 上海分公司:13868521911 四川分公司:13868521911 甘肃分公司:13868521911
湖南分公司:13767010828 温州分公司:13736980989 QQ:451182107
  公司地址:浙江省温州市  邮编:325000
中国节能评估审查网 版权所有 Copyright 2000-2026 All Rights Reserved. 闽ICP备13017816号-6

闽公网安备 35040202000280号